西门子ET 200SP故障安全型模拟量输入模块——F-AI 4xU(电压型)的使用
西门子ET 200SP故障安全型模拟量输入模块——F-AI 4xU(电压型)的使用
founderchip
原创工业智能控制领域(PLC、单片机、嵌入式、机器人、通信)的技术及经验分享。
前面的文章我们介绍西门子ET200SP的故障安全型模拟量输入F-AI 4xI(电流型)信号模块,它是一种能连接两线制或四线制电流传感器的模块,支持0~20mA或4~20mA的电流信号。除了电流型故障安全模块,ET 200SP还有电压型故障安全信号模块。今天这篇文章,我们就来介绍下F-AI 4xU电压型故障安全模块。本文包括三个主题:
外观及接线;
硬件组态;
-
地址空间;
一、外观及接线
ET 200SP F-AI 4xU 0~10V HF模块,名称中的“F”是“Fail-safe”的缩写,表示“故障安全”;“AI”是“Analog Input”的缩写,表示“模拟量输入”;“4”表示有四个输入通道,“U”表示电压信号,“0~10V”表示接收的电压信号的范围为0~10V;“HF”是“High Feature”的缩写,表示“高性能型”。因此,从它的名称中可以看出,该模块是一个具有四个模拟量输入通道的、可接收0~10V电压信号的、故障安全型信号模块,其外观如下图所示:
模块的上方有一个“DIAG”诊断LED指示灯,它有如下几种状态:
-
熄灭:背板总线供电故障;
绿色闪烁:供电正常,尚未组态;
绿色常亮:供电正常,组态正常,无故障;
红色闪烁:有故障;
红绿交替闪烁:等待用户确认(发生故障以后);
模块的下方有四排(八个)LED指示灯,第1排和第3排用来指示通道的状态,第2排和第4排用来指示通道的故障。比如第1排的“.0”和“.1”两个LED灯分别指示通道0和通道1的状态,第2排的“F.0”和“F.1”两个LED灯分别指示通道0和通道1的故障,其它两排功能类推。通道状态LED和通道故障LED有如下含义:
两者都熄灭:通道取消激活或电源电压L+缺失;
通道状态LED绿色常亮,通道故障LED熄灭:通道已激活并且无故障;
通道状态LED熄灭,通道故障LED红色常亮:通道有故障;
-
通道状态LED和通道故障LED交替闪烁:通道故障消除后需要用户确认;
PWR LED指示灯用来指示电源状态:
绿色常亮:模块供电正常;
熄灭:供电故障;
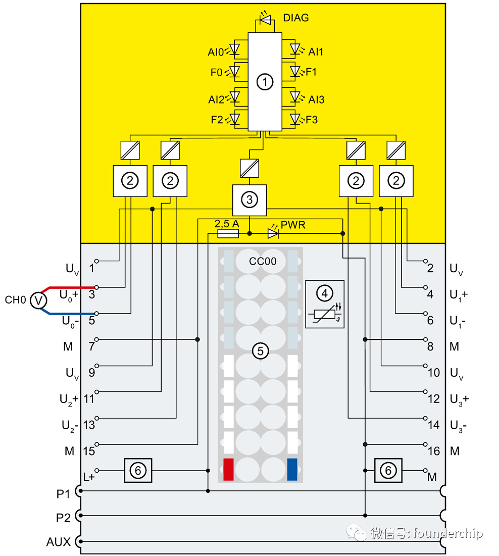
F-AI 4xU 0~10V HF模块使用A0和A1型基座,其引脚定义如下:
| 编号 | 名称 | 含义 |
|---|---|---|
| 1 | Uv | 内置传感器电源(正极) |
| 3 | U0+ | 通道0的电压信号输入(正极) |
| 5 | U0- | 通道0的电压信号输入(负极) |
| 7 | Mv | 传感器电源(负极) |
| 9 | Uv | 内置传感器电源 |
| 11 | U2+ | 通道2的电压信号输入(正极) |
| 13 | U2- | 通道2的电压信号输入(负极) |
| 15 | Mv | 传感器电源(负极) |
| 17 | L+ | 外部电源(正极) |
| 2 | Uv | 内置传感器电源 |
| 4 | U1+ | 通道1的电压信号输入(正极) |
| 6 | U1- | 通道2的电压信号输入(负极) |
| 8 | Mv | 传感器电源(负极) |
| 10 | Uv | 内置传感器电源 |
| 12 | U3+ | 通道3的电压信号输入(正极) |
| 14 | U3- | 通道3的电压信号输入(负极) |
| 16 | Mv | 传感器电源(负极) |
| 18 | M | 外部电源(负极) |
模块(含基座)内部结构如下图所示:
其中:
①背板总线接口; ②模数转换器(ADC); ③传感器电源/反极性保护; ④用于对A1型基座的温度测量(该模块不支持); ⑤颜色标签(编码CC00,可选); ⑥外部电源滤波器(适用于白色基座);
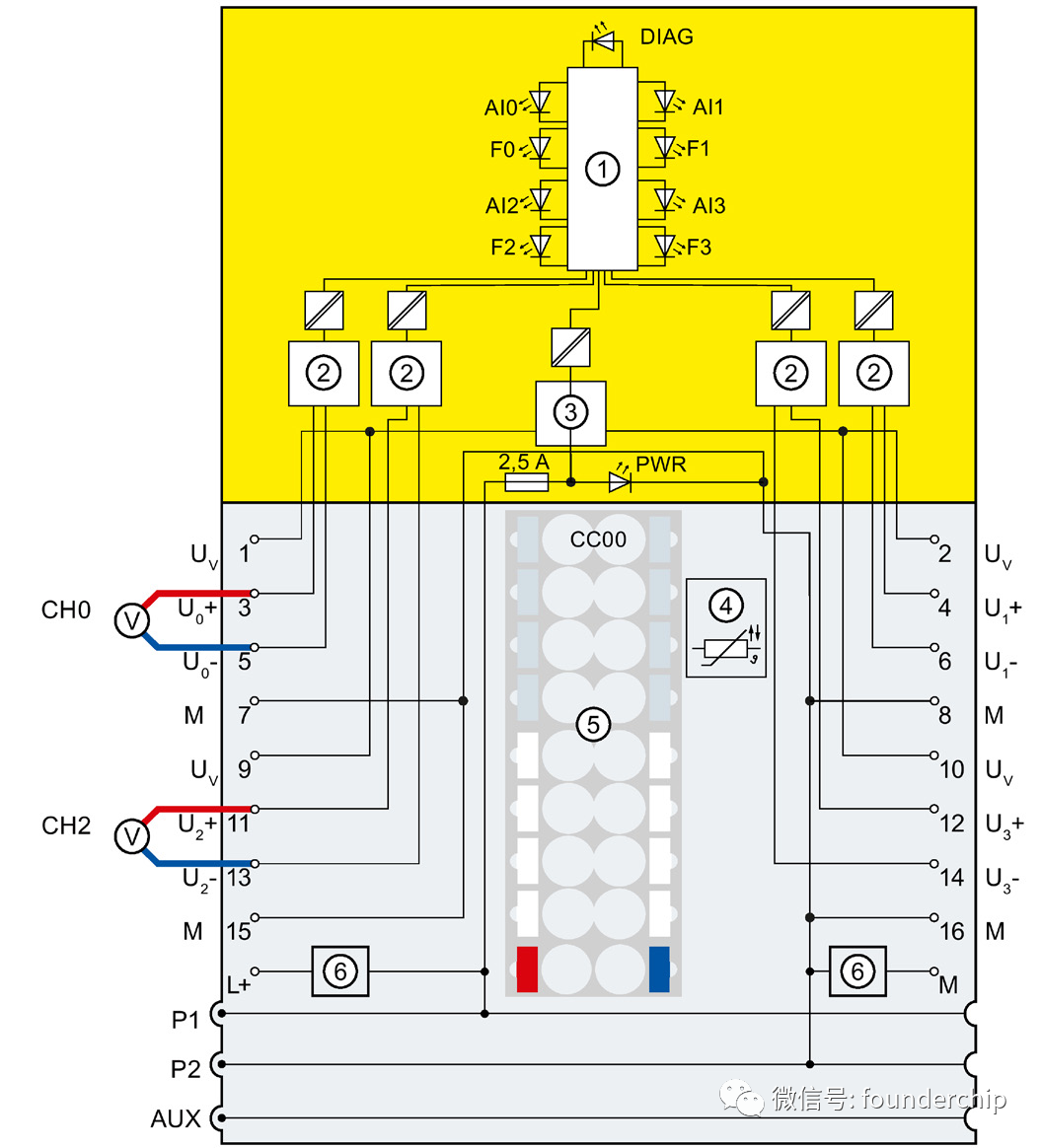
通道0连接两线制电压传感器的接线原理图如下图所示:
多数情况下,我们之所以选用这种故障安全型模拟量输入模块,是为了确保模拟量信号的正确性。因此,一般把两个通道组成一个通道组,即采用二选一(Ioo2)的传感器评估方式,每个通道都连接一个电压传感器,如下图所示:
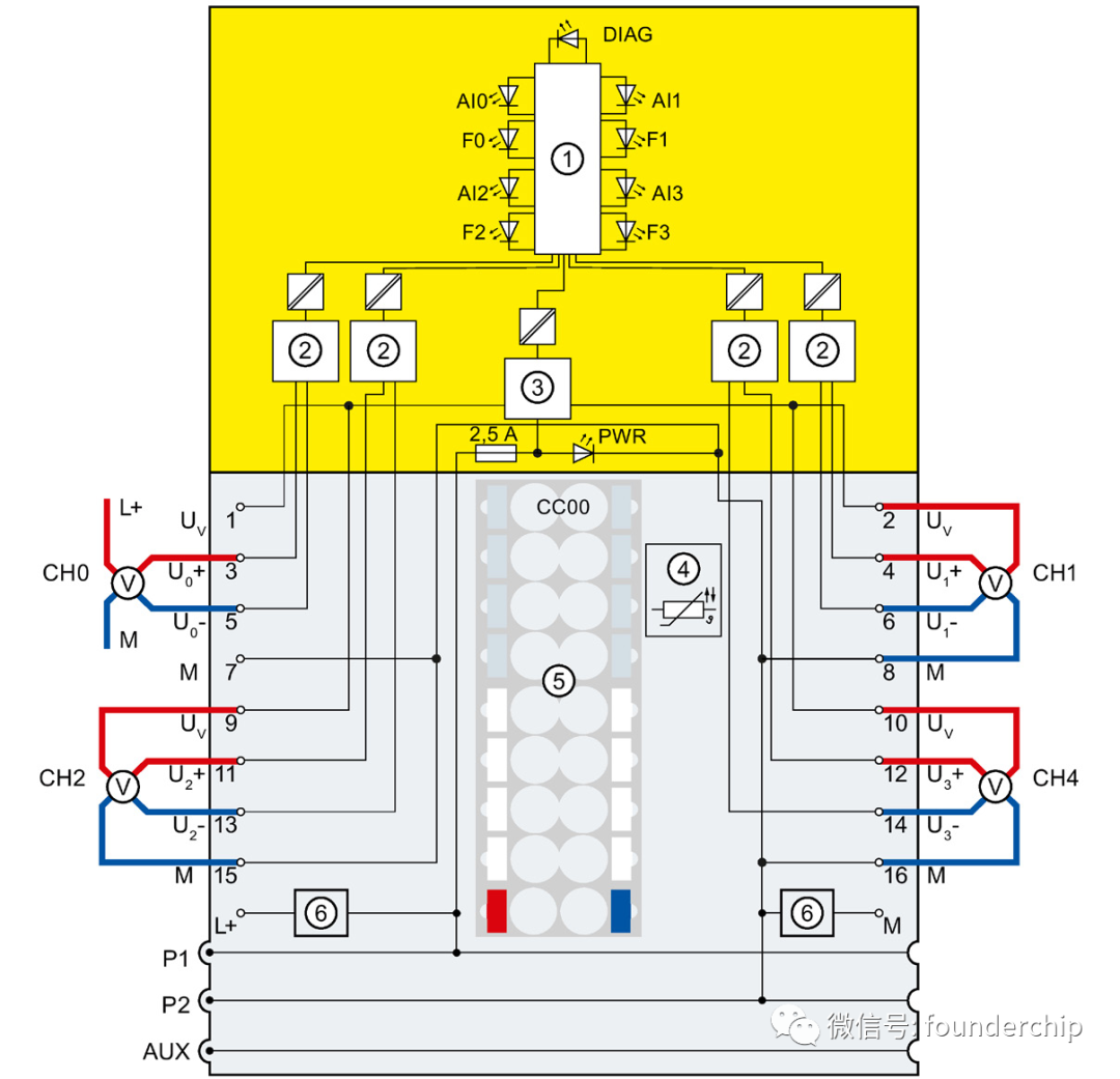
连接四线制电压传感器接线原理图如下图所示:
其中:
通道0采用的外部电源供电,其它通道都是采用内部电源供电。建议使用内部电源供电,因为模块可以对电源进行检测,具有短路保护功能。
二、硬件组态
博途V16及以下版本的硬件目录中没有该模块,需要安装硬件支持包(HSP)才能使用。
首先去西门子官网下载博途相应版本的硬件支持包,然后单击博途开发环境的“选项”→“支持包”,弹出如下对话框:
单击按钮“从文件系统添加”,在对话框中找到HSP的路径,选中“HSP_V16_0308_001_ET200SP_FAI4_U_HF_1.0”(以博途V16)为例,如下图所示:
然后单击“安装”,等待安装完成。在网络视图中添加ET 200SP的接口模块,在其硬件目录中可以看到新添加的F-AI 4xU模块,如下图所示:
ET 200SP F-AI 4xU模块支持两种传感器评估方式:一选一(1oo1)和二选一(1oo2)。当组态为1oo2评估时,通道0和通道2组成一个通道组,通道1和通道3组成一个通道组。硬件组态如下图所示:
既然一个通道组中有两个通道,连接两个传感器,那么选择那个传感器作为通道组的值呢?
组态选项“标准值”(Unit Value,也称为Standard Value)用来设置通道组的值,有两种选择:MIN和MAX。
“MIN”:使用两个通道中比较小的值作为通道组的值;
“MAX”:使用两个通道中比较大的值作为通道组的值。
比如,某时刻某通道组连接的两个传感器的值分别为8.8V和9.0V,如果标准值设置为MIN,则选择8.8V(较小的值)作为通道组的值;如果标准值设置为MAX,则选择9.0V(较大的值)作为通道组的值。标准值会作为通道组的值发送给F-CPU(安全CPU)。
两个通道的传感器的信号值不可能绝对相同的,总是存在一些差异。因此需要设置容差窗口。有两种类型:绝对容差窗口和相对容差窗口。
-
绝对容差窗口(tolerance window abs):在二选一(1oo2)传感器评估中,用来设置通道组中两个通道的差值的最大阈值,用满量程信号的百分比来表示。比如,对于0~10V的电压信号,设置绝对容差窗口值=5%,则两个通道的最大差值=10*5%=0.5V。绝对容差窗口和差异时间配合使用。假设差异时间设置为100ms,如果两个通道的信号差值大于绝对容差值(0.5V),且持续的时间超过差异时间(100ms),那么安全模块将检测到一个误差错误,并触发诊断中断。
-
相对容差窗口(tolerance window rel):在二选一(1oo2)传感器评估中,用来设置通道组中两个通道的差值的最大阈值,用标准值的百分比来表示。接上面的例子,假设标准值选择两个传感器的最大值(9V),相对容差窗口设置为5%,则两个通道的最大差值=9V*5%=0.45V。如果超过该值并且持续时间超过差异时间,则安全模块将检测到一个误差错误,并触发诊断中断。
三、地址空间
该模块在安全CPU中占据的地址空间如下面的表格所示:
| F-CPU | 输入地址范围 | 输出地址范围 |
|---|---|---|
| S7-300/400 | IB x+0 ~ x+12 | QB x+0 ~ x+3 |
| S7-1200/1500 | IB x+0 ~ x+13 | QB x+0 ~ x+4 |
其中,x是模块在硬件组态中的起始地址。比如起始地址是27,则在S7-1200/1500 CPU中,该模块占用的输入存储区地址范围为27~40,占用的输出存储区地址范围为27~31。各字节的含义如下面的表格所示:
*表示仅对S-1200/1500的CPU适用,x=模块的起始地址。
好了,关于F-AI 4xU模块就先介绍到这里。
我的书《西门子S7-1200/1500 PLC SCL语言编程 ——从入门到精通》从硬件到软件,比较详细的介绍了SCL语言的编程,感兴趣的话可以点击下面的链接或者左下角的【阅读原文】:
-
2023年血糖新标准公布,不是3.9-6.1,快来看看你的血糖正常吗? 2023-02-07
-
2023年各省最新电价一览!8省中午执行谷段电价! 2023-01-03
-
GB 55009-2021《燃气工程项目规范》(含条文说明),2022年1月1日起实施 2021-11-07
-
PPT导出高分辨率图片的四种方法 2022-09-22
-
2023年最新!国家电网27家省级电力公司负责人大盘点 2023-03-14
-
全国消防救援总队主官及简历(2023.2) 2023-02-10
-
盘点 l 中国石油大庆油田现任领导班子 2023-02-28
-
我们的前辈!历届全国工程勘察设计大师完整名单! 2022-11-18
-
关于某送变电公司“4·22”人身死亡事故的快报 2022-04-26
