新国标发布!培训不到位正式纳入生产危害因素,10月1日实施!
新国标发布!培训不到位正式纳入生产危害因素,10月1日实施!
EHSLawsRegulations
环保安全法规标准掌上宝库,实时获取最新动态!
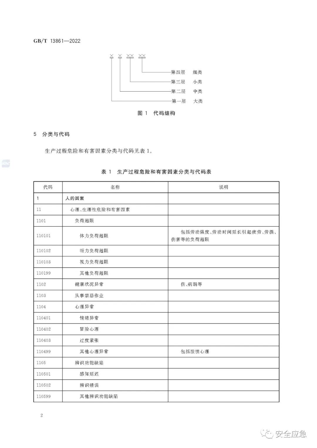
新旧版本对比
安全员因培训不到位、检查不到位、管理不到位,通通获刑!安全生产怎么才是到位?
▼▼▼
江苏凯隆铝业有限公司安全员,负责凯隆公司安全生产具体管理工作。 周培军疏于安全生产管理工作,未组织、参与公司安全管理制度及安全操作规程的制定、完善,疏于日常安全教育培训工作 ,对事故的发生负有责任,建议司法机关依法追究其刑事责任。
王xx,中国建筑第七工程局有限公司总承包公司中原分公司中博 项目安全员 , 因项目B地块南院的安全员请假、8月26至28日 王海涛被临时由北院调至南院负责现场安全管理。
8月28日, 在塔吊顶升作业现场安全监督检查工作中不认真、不细致,未及时发现、阻止胜富劳务公司木工进入顶升作业控制范围,对事故发生负有重要责任。 2019年9月30日,郑州市公安局二里岗分局根据《中华人民共和国刑事诉讼法》第八十条之规定,经管城区人民检察院批准, 以涉嫌重大责任事故罪对其执行遽捕(郑公二里(治)捕字〔2019〕10174号),羁押于郑州市第三看守所。
案例四:安全员未及时排查安全生产事故隐患被判刑
2019年3月7日上午10时53分许,江苏神华药业有限公司(以下简称神华公司)发生一起爆炸事故, 造成3人死亡、7人受伤 ,部分设备损坏和房屋倒塌,直接经济损失约842万元。
事故发生的直接原因:神华公司合成二线为了提高原料利用效率, 在没有进行论证和风险评估的情况下, 利用现有的谷氨酰胺生产线上的不锈钢浓缩罐,并参照谷氨酰胺生产过程的浓缩工艺对阿昔莫司合成母液进行浓缩,浓缩岗位当班操作人员浓缩阿昔莫司合成母液过程中,浓缩时间过长,使罐内物料(包括阿昔莫司、阿昔莫司合成原料5-甲基吡嗪-2-羧酸和双氧水等)温度、浓度升高,产生激烈化学反应,引发爆炸。
▼▼▼
可以说, 找不出一个100%尽责的安全管理人员!只要出了事故,“不到位、不及时”等描述总能给安全管理人员定个罪,所以多数安全人都难逃背锅的结局!
从法理上来讲安全管理是全体人员的事,“安全生产人人有责”、“管生产必须管安全”、“谁分管谁负责”等安全生产管理原则已经充分说明了这个道理。
分析认为,《安全生产法》第十八条确定了企业主要负责人的安全生产管理职责,而安全生产管理人员职责是依据企业安全生产责任制以及规章制度的要求实施安全生产监督管理,如《安全生产法》第二十二条所确定的安全生产管理人员职责的实施形式是 “组织或参与”、 “督促落实” 等,其“组织或参与”内容是有限的、明确的,显然“组织”还是“参与”并没有严格确定,其职责内容是根据企业安全生产责任制要求和规章制度来确定的,是一种选择性的规定;而“督促落实”是指安全员对企业有关部门或其他管理人员直接管理的安全生产管理相关内容的监督要求,显然这些直接管理的相关内容并不是安全员的职责内容。
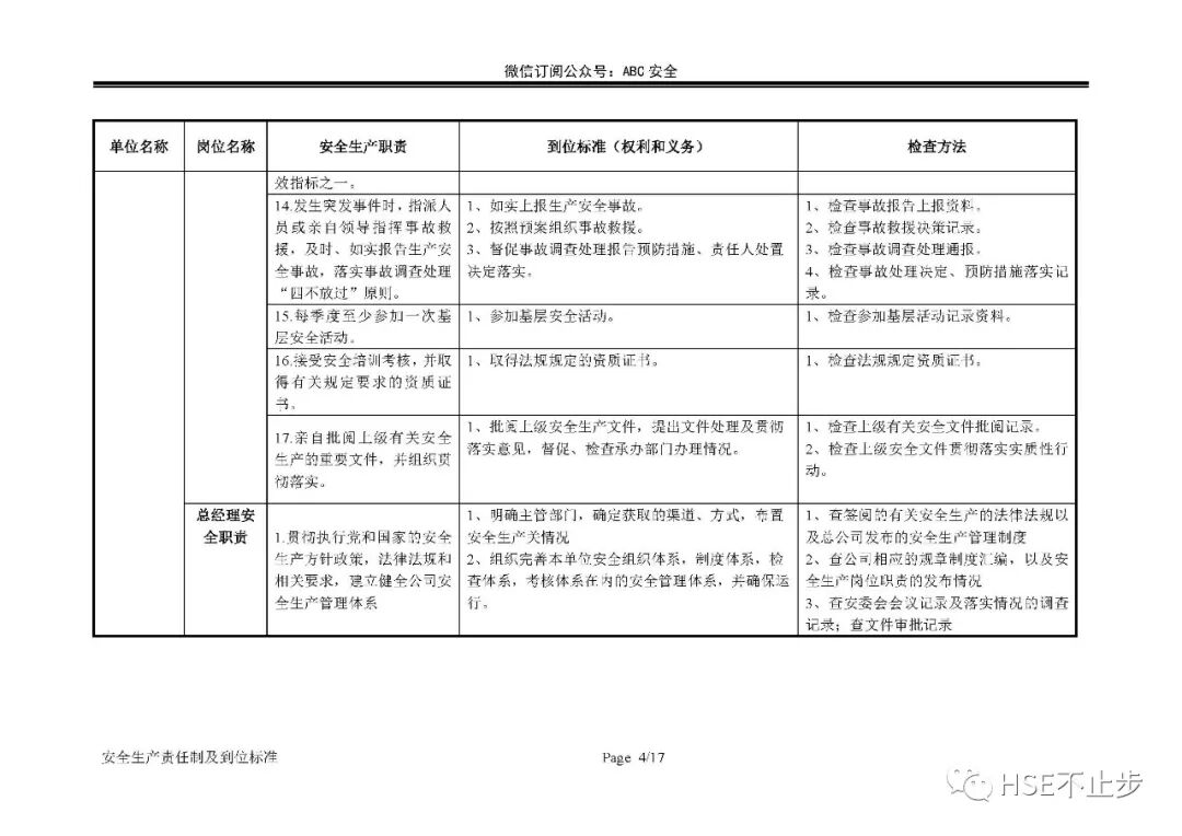
无论是事前追责还是事后追责,都是以问责为导向,而且重点的追责对象还是安全管理人员, 如何将“一岗双责”、“管业务必须管安全”落实到位,才是正道!抑或将安全管理人员的权力进一步提高,在单位内部享受不低于同类型生产技术人员的待遇, 且真正具有叫停现场作业的权力 ,这才能解决根本问题。
如果动不动将安全人员入刑,动不动处罚安全人员,最终的结果或许是真正愿意干好安全的人员被迫转行,不再愿意去做一名背锅人员。指望安全管理水平提高则更是遥遥无期。
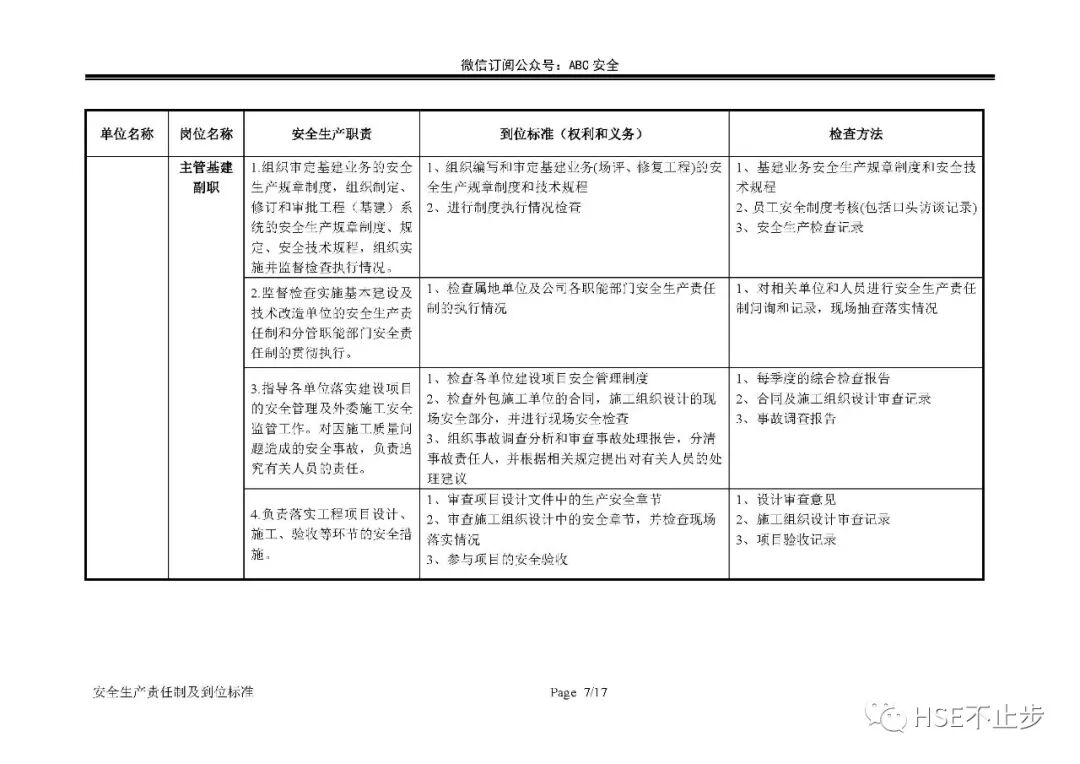
安全生产十二个到位
认识是安全之魂。生命高于一切,安全重于泰山,要时刻绷紧安全生产这根弦,按照“党政同责、一岗双责、齐抓共管、失职追责”的原则将安全生产责任覆盖到全员、全组织、全过程,以最坚决的态度落实安全生产责任,真正使安全生产成为不能碰、不敢碰的“高压线”。
风控是安全之基。要按照“谁主管、谁负责”的原则,构建覆盖生产经营全过程的安全风险分级管控和安全隐患排查治理体系。预防事故是安全生产的前提条件与价值所在,要加强上下贯通的安全生产风险动态研判和隐患排查治理,增强安全管控的预见性和穿透力。
制度是安全之本。要紧密结合实际,将安全生产融入企业生产经营各环节,通过制度固化下来,依法依规建立健全传导理念、科学有效的安全生产制度体系。加强制度学习宣贯和执行情况监督检查,提升依法依规治企能力。
措施是安全之根。要加强安全技术措施管理,充分运用工程技术手段消除物的不安全因素。加强安全技术管理,主要技术负责人要切实承担起安全生产技术决策权和指挥权。加大科技兴安工作力度,加快推进机械化换人、自动化减人、信息化赋能。狠抓安全措施落实,严格全过程监督、全周期追责。
培训不到位是最大的安全隐患。要规范培训标准,将有效刚性培训到位作为从业人员准入的先决条件。积极探索推广更加科学的安全教育培训模式,提升培训针对性和实效性。深化事故案例警示教育,增强基层一线生产安全事故防范意识和能力。
资源配置是安全生产的前提。要加强管理权限、专业人才、技术装备等要素的资源配置,加大安全生产投入,保证安全条件达标。严格承分包商准入和过程管控,落实实名制管理和自有员工对分包作业实施监管。加强安监队伍建设,加快建设以注册安全工程师和生产技术人员为主体的专职安全监管队伍。
“管生产经营必须管安全”。安全组织建设必须到位,各级安全管理者要系统提升综合能力、专业能力。强化生产、技术、保障等各部门安全职责,落实“一岗双责”。厘清安全监管部门和其他部门的管理和责任界面,做到权责清晰、务实高效。严禁超能力、超强度、超定员组织生产,严禁在安全生产条件不具备、隐患未排除、安全措施不到位的情况下组织生产。
监管是安全之眼。要遵循“全过程、全方位、全周期”规律,突出“点、线、面、体、质”五方面结合,做到监督检查“动态化、全覆盖、无死角”。安全管理部门要全面履行反违章法定责任,持续开展安全管理隐患排查治理和违章违规执纪问责。
奖惩是安全之闸。要坚持“零容忍”促“零违章”保“零事故”高目标追求,严肃生产安全事故和违规违章行为问责追责。加大安全生产考核权重,坚决落实安全生产“一票否决”制度。强化正向激励,激发安全生产内生动力。
应急管理是安全生产最后一道防线。要把握基层、基础这两个重心,构建指挥统一、反应迅速、协调有序、运转高效的应急管理机制。深化应急预案体系建设,加强应急演练和队伍建设, 强化应急准备和监测预警,妥善处置各类突发事件。
“一厂出事故、万厂万人受教育”。要搭建自上而下的交流平台,强化经验成果总结提炼、学习借鉴。加强事故教训警示通报,深挖事故根本原因,严防同类事故再次或多次发生,严控常见病与多发病的发生。
安全文化是企业文化建设的最重要一环。要以项目文化为载体,以安全文化为主导,突出“生命至上”的道德文明,深化“珍爱生命”的价值认同,用文化纠正安全生产的思想偏颇、理念障碍、行为惯性,纲举目张引领安全生产领域系统性、适应性变革,持续播种安全文化基因。
|
|
|
|
|
|
|
|
|
|
|
|
|
||
|
|
|
|
|
|
|
|
|
|
|
|
|
|
|
|
|
|
|
|
|
|
|
||
|
|
|
|
|
|
|
|
|
|
|
|
|||
|
|
|||
|
|
|
|
|
|
|
|||
|
|
|||
|
|
|||
|
|
|
|
|
|
|
|||
|
|
|||
|
|
|
|
|
|
|
|||
|
|
|||
|
|
|
|
|
|
|
|||
|
|
|
|
|
|
|
|
||
|
|
|
|
|
|
|
|
|
|
|
|
|
|
|
|
|
|
||
|
|
|
||
|
|
|
||
|
|
|
|
|
|
|
|
|
|
|
|
|
|
附:450份安全生产管理协议、岗位责任书汇编!
安科院: GB18218、GB 36894、GB/T 37243、GB18265 标准解读
常用国家标准、行业标准、地方标准免费查阅网址,太实用了!
“EHS法规”(EHSLaws)
公众号为您免费提供环保、职业卫生、安全、消防等领域的法律、法规、标准与资料,通过下方二维码关注或
登录
EHS之家
网(ehshome.org)
可获得更多信息。
www.ehshome.org
长按识别二维码,即可关注我们!
“EHS法规”(EHSLaws) 公众号为您免费提供环保、职业卫生、安全、消防等领域的法律、法规、标准与资料,通过下方二维码关注或 登录 EHS之家 网(ehshome.org) 可获得更多信息。
长按识别二维码,即可关注我们!
-
2023年血糖新标准公布,不是3.9-6.1,快来看看你的血糖正常吗? 2023-02-07
-
2023年各省最新电价一览!8省中午执行谷段电价! 2023-01-03
-
GB 55009-2021《燃气工程项目规范》(含条文说明),2022年1月1日起实施 2021-11-07
-
PPT导出高分辨率图片的四种方法 2022-09-22
-
2023年最新!国家电网27家省级电力公司负责人大盘点 2023-03-14
-
全国消防救援总队主官及简历(2023.2) 2023-02-10
-
盘点 l 中国石油大庆油田现任领导班子 2023-02-28
-
我们的前辈!历届全国工程勘察设计大师完整名单! 2022-11-18
-
关于某送变电公司“4·22”人身死亡事故的快报 2022-04-26
